| MacDee 製トレーラー | (スーパー7も可能) |
![]() |
|
![]() |
|
| MT 75の特徴 *機械式慣性ブレーキを採用することにより整備性がよく、車を載せたままオイル交換下回りの整備等が可能です。又、制動停止距離を短く、安全に止まることが出来ます。 *足回りにはラバトーションサスペンションを採用することにより荷台の高さを極限にまで下げ、車両の積み降ろしが非常に楽にでき、走行安定性が増すことを可能にしました。 *ステップ付きプラスチックフェンダーで安全便利です。 *12インチラジアルタイヤで安定した走行が可能です。 *トレーラージャッキ・標準装備。 *フレームは鉄(SS41)に亜鉛溶融メッキ加工をしており耐久性抜群。 |
|
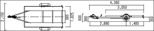
| 通 称 |
MT 75 |
ヒッチボーール |
50mm |
| 自動車の種類 |
普 通 |
ブレーキ形状 |
機械式慣性 |
| 用 途 |
貨 物 |
サスペンション |
ラバートーション |
| 形 状 |
フルトレーラー |
車両重量 |
240Kg |
| 全 長 |
4.36m |
最大積載量 |
500Kg |
| 全 幅 |
2.15m |
車両総重量 |
740Kg |
| 全 高 |
0.60m |
タイヤサイズ |
145R12-6PR-LT |
| ※仕様は予告無く変更する場合があります。 | |||
| アウトバーンで鍛えられた安心のラバートーションサスペンションと機械式慣性ブレーキシステムを採用 | ||||||||||||
| MT76に関しましては、車両価格を 498,000円に設定しているため登録時の取得税は不要です。 | ||||||||||||
| 【簡 単 見 積 も り】 | ||||||||||||
|
||||||||||||
| ※配達の場合及び連結検討追加は別途費用がかかります。 ※トレーラーをけん引するには、けん引車にけん引装置を取り付ける必要があります。車種にもよりますが、4〜15万円ほどかかります。 |
||||||||||||
| <<年間維持費が非常に経済的である>> | ||||||||||||
|
||||||||||||
| 尚、自動車税は各都道府県により金額が多少変わります。 又税は、年払いになります。 | ||||||||||||
| <<詳細>> | ||||||||||||
| 1, トレーラーに積載物を積んだまま保管することができ余分なスペースを取らない。 2, 必要なときにけん引車に連結して即出発できます。 たとえばレンタカーを返す時間を気にすることも無く、早朝や夜遅くエンジンをかけること無く、 ガレージに入出庫できます。 3, レースカーを積載した状態で下回りの整備等が出来ます。 (オイル交換、足回りの点検整備等) 4, ボートトレーラに付いてはいつでも好きなときに好きなゲレンデに直行できます。 5, ゲレンデ(スロープ)においてボート・ジェットの積み下ろしに無駄な力を使わず上げ下げ可能です。 又、自宅に持ちかえる事が出来るので、整備等にも有利な面が多くあります。 |
||||||||||||
| *主にレースカー、ナンバー無しの小型車の運搬を目的に開発しました。 *レースカーを積んだまま保管できるので積みこみ等の手間も無く即出発できます。 その上年間の維持費も格段に安くレンタカーを借りるよりも経済的です。 *W 84などトレーラー総重量(空車重量+最大積載量)が750Kgを超えるトレーラーをけん引するには けん引免許が必要です。 *車検の有効期間は新車登録時には2年間その後は1年車検となります。 *トレーラーの主要部品にはヨーロッパで高い実績を持つドイツ KNOTT 社製のカプラー、車軸、 ブレーキシステムを採用しました。 *サスペンションには回転チューブ式のラバートーションシステムを採用しました。 スチール製スプリングに比べてスムーズに衝撃を吸収しサスペンションの振動音も殆どしません。 *機械式慣性ブレーキによりタイムラグも少なくスムーズなブレーキ感覚でけん引していることを感じ させません。 *車高の低いレーシングカーをより積みやすくするために極限まで荷台高を下げました。 (最低地上高6cm位のスパーセブンでも自走して積み込みが可能です。 *分離ブレーキによる安全設計、走行中万が一トレーラーが分離した場合に暴走防止用緊急ブレーキ が自動的に作動します。 *慣性ブレーキでは気になる後退時でも18%以下の発生制動力により楽にバックできます。 |
||||||||||||